产品中心
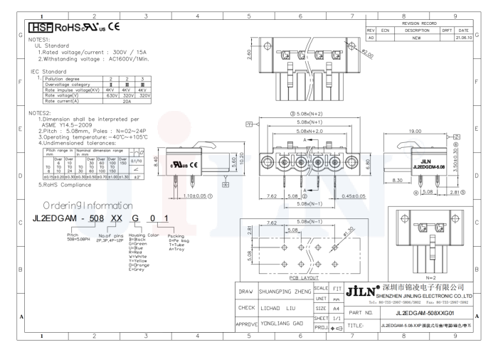
JL2EDGAM-5.0
JL2EDGAM-5.0,5.08mm,母座,插拔式,90°
总览
技术数据
产品认证
工程图
下载
插拔式接线端子
接线端子就是用于实现电气连接的一种配件产品,工业上划分为连接器的范畴。 随着工业自动化程度越来越高和工业控制要求越来越严格、精确,接线端子的用量逐渐上涨。随着电子行业的发展,接线端子的使用范围越来越多,而且种类也越来越多。用得最广泛的除了PCB板端子外,还有五金端子,螺帽端子,弹簧端子等等。
接线端子逐渐广泛应用到各个领域,在传递电信号和导电方面起到了连接作用,从而减少了工作量和生产成本的消耗,给生产和使用带来了诸多便利,避免了许多的麻烦。从而达到简化产品结构、节约制造成本的目的。因此针对端子检测带来的好处并结合市场分析,推荐适合端子检测的仪器可以专业的检测设备进行检测。 常用的端子检测设备有:工具显微镜和光学影像仪。
基础参数
| 料号 | JL2EDGAM-5.0 | ||
| 种类 | 插拔式接线端子 | ||
| 规格(间距) | 5.08 | mm | |
| 类别 | 母座 | ||
| 角度类型 | 90° | ||
| Pin数范围值 | 2 | 12 | Pin数 |
工程参数
| 额定电压 | 300 | V | |
| 额定电流 | 15 | AMP | |
| 耐压值 | AC1600V/1Min | ||
| 温度范围 | -40 | 105 | ℃ |
| 焊针材质 | 磷青铜,镀锡 Phosphorusbronze,Tinplated | ||
| 塑件材质 | PA66 UL94V-0 | ||

